Tažné zařízení Ford Transit/Tourneo Custom 2012- , odnímatelný bajonet, Galia
Kód: GF1245C.FO1Detailní popis produktu
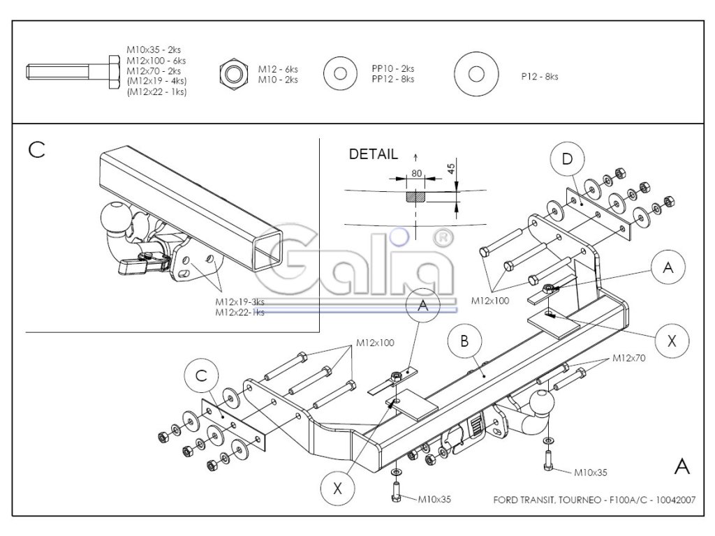
Tažné zařízení Ford Transit/Tourneo Custom 2012- , odnímatelný bajonet, Galia Tažné zařízení Ford Transit Custom 2012- Upozornění - k primárnímu používání s nosiči kol doporučujeme volit pevné tažné zařízení. V důsledku dynamického působení svislého zatížení dochází ke snižování životnosti bajonetových systémů. KVALITNÍ TAŽNÉ ZAŘÍZENÍ, KTERÉ NEREZAVÍ, ZA NEJLEPŠÍ CENU Tažné zařízení největšího slovenského výrobce má unikátní povrchovou úpravu zinkováním s 10-ti letou zárukou na ochranu proti korozi. Zinkování vytváří stříbrný povrch, který se po čase vlivem oxidace změní na šedý odstín. Přesnou sériovou výrobou na nejmodernějších strojích je zaručena snadná a rychlá montáž na vozidlo a dobrá cena. Poloautomatický odnímatelný systém se vyznačuje nadstandardní spolehlivostí, jednoduchou obsluhou a kvalitou zpracování a výhodnou cenou. Součástí dodávky je kryt kulového čepu, záslepka a pouzdro čepu po odejmutí. Tažné zařízení je homologováno dle předpisu ECE 55R nebo EU94/20. Výrobce: Gália Slovakia s.r.o., SlovenskoDoplňkové parametry
| Kategorie: | 2012-2016/05 |
|---|---|
| Typ čepu: | bajonet |
Diskuze
Buďte první, kdo napíše příspěvek k této položce.
