R-L-C metr+ tester polovodičů+PWM generátor SKU350446 - STAVEBNICE
Kód: HD-W810Detailní popis produktu
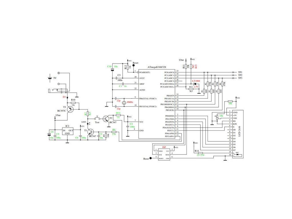
R-L-C metr+ tester polovodičů+PWM generátor SKU350446 - STAVEBNICE Multifunkční tester součástek s Atmega328 a dvouřádkovým LCD displejem. Dva měřící obvody**Specifikace:**
Napájení 5,5-12V (vyhrazeno pro 9V baterii 6F22)
Klidový odběr 20nA, provozní proud 13-18mA
Měření odporů: 0,5ohm~50Mohm, rozlišení 0,1ohm
Měření kondenzátorů: 25pF~100mF, rozlišení 1pF,
Měření ESR kondenzátorů s rozlišením 0,01ohm
Měření indukčnosti 0,01mH~10H
Měřění diod, bipolárních T, J-FET, MOSFET
Připojení testovaných soušástek pomocí 3-pinové svorkovnice
Měření kmitočtu 1Hz~25kHz, nad 25kHz měří mírně nepřesně
Generátor PWM: 1Hz~2MHz, střída 1-99%
Testovacídoba <2sec, při měření vyšších kapacit může být delší
Rozměry desky plošného spoje: 80x80mm, výška cca 30mm
**Upozornění:**
Elektrolytické kondenzátory připojujte vybité, jinak riskujete poškození přístroje
Manuál k produktu je ke stažení zde
Specifikace k produktu je ke stažení zde
Doplňkové parametry
| Kategorie: | Elektrodoplňky |
|---|---|
| EAN: | 8595118815049 |
Diskuze
Buďte první, kdo napíše příspěvek k této položce.
